| Modelo | |
| Tipo de tracción | 6×4 |
| Cabina | Cabina exterior Parachoques de doble capa para carretera Escalera de tres escalones Espejo retrovisor (ajuste manual) Parasol exterior Cabina interior Asiento del conductor con suspensión neumática Aire acondicionado Elevalunas eléctrico Volante ajustable Fuente de alimentación de 24V Radio (con reproductor MP3) Instrumentos digitales |
| Transmisión | Marchas: 2 velocidades hacia adelante Caja de transferencia: no disponible Toma de fuerza (P.T.O.): opcional |
| Sistema de dirección | Engranaje de dirección de bolas recirculantes 8098, servomotor hidráulico |
| Potencia | 28kWh |
| Kilometraje de resistencia | 290km (carga completa) |
| Tiempo de carga | Doble pistola 30min. |
| Eje delantero | 6500kg, dirección sin tracción |
| Eje medio y trasero | 11500 kg + 11500 kg, eje de accionamiento eléctrico 260 kW + 260 kW |
| Suspensión | Delantero 1 pieza de resorte parabólico duro / Trasero 4 piezas de resorte neumático |
| Frenos | Servicio: frenos de aire de doble circuito Emergencia/Estacionamiento: freno de potencial de resorte Auxiliar: ABS |
| Datos de rendimiento | Gradeabilidad @GVM: 21% Velocidad máxima en carretera con cambios: 80 km/h |
| Neumático | Tamaño y clasificación de capas: 12R22.5/295/80R22.5 Llanta de acero |
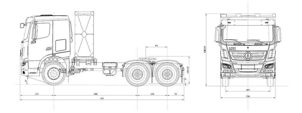
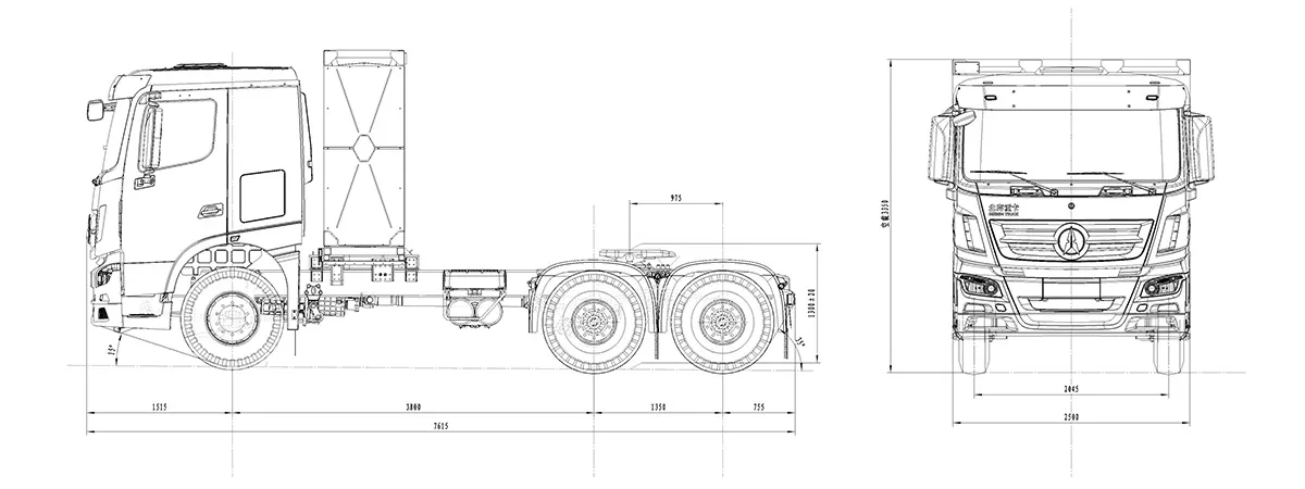
| Dimensiones | Distancia entre ejes (WB): 4230+1350mm Longitud total (OL): 7900mm Ancho total (OW): 2550mm Altura total (OH): 3700mm Voladizo delantero (FOH): 1515mm Voladizo trasero (ROH): 755mm Radio de montaje delantero del semirremolque: 2500mm Radio de montaje trasero del semirremolque: 2300mm |
| Peso total del vehículo | 11300 |
*Los datos anteriores están sujetos al producto real.
Sistema de cabina completo desarrollado con tecnología Daimler-Benz
- Desarrollada con la tecnología de cabina completa de Daimler-Benz.
- La cabina NG80 cuenta con un sistema de suspensión semiflotante con alta rigidez estructural y absorción de energía, lo que proporciona mayor protección al conductor.
- Fabricada con paneles de acero de alta resistencia mediante estampado integrado, combinado con un diseño estructural multicavidad para una mayor rigidez.
- Supera con éxito las pruebas de impacto de péndulo y cumple con las normas de certificación de seguridad en caso de colisión de la UE. Ideal para aplicaciones de ingeniería y condiciones operativas mixtas.
Cabina V3 diseñada en colaboración con EDAG Alemania y comparada con los estándares de Daimler-Benz
- Desarrollada en colaboración con EDAG Alemania y basada en los estándares de Daimler-Benz, la cabina V3 presenta un diseño de carrocería ancha creado mediante un proceso de ingeniería de vanguardia.
- La cabina V3 cuenta con un sistema de suspensión flotante de cuatro puntos que ofrece alta resistencia estructural y absorción de energía, a la vez que mejora la comodidad general de conducción.
- Fabricada con paneles de acero de alta calidad mediante estampado integrado en toda la carrocería, junto con una estructura multicavidad que aumenta la rigidez de la cabina.
- Supera con éxito las pruebas de impacto de péndulo y cumple con las normas de certificación de seguridad en caso de colisión de la UE. Optimizada para aplicaciones de transporte por carretera de larga distancia.
Tecnología de bastidor de Daimler-Benz con un rendimiento de carga comprobado
Desarrollado con tecnología Daimler-Benz, el bastidor presenta un diseño de viga compuesta de sección variable y forma de panza de pez. Los largueros interiores y exteriores del bastidor se conforman mediante un proceso de estampado de una sola pasada, lo que proporciona un rendimiento de carga excepcional. El resultado es un sistema de bastidor reconocido por su excepcional durabilidad y resistencia estructural, ampliamente utilizado en aplicaciones exigentes de carga pesada.
Tecnología de eje motriz de doble reducción con licencia de Daimler-Benz
- Beiben fue la primera empresa en China en adoptar la tecnología de eje motriz de doble reducción de Daimler-Benz.
- La carcasa del eje está fabricada en fundición dúctil y se fabrica como una pieza de fundición integral para mayor resistencia y durabilidad.
- Según pruebas realizadas por instituciones acreditadas a nivel nacional, la carcasa del eje puede soportar 2.5 veces la carga nominal durante más de 1.17 millones de ciclos de fatiga sin agrietarse.
Sistema de suspensión de equilibrio integrado basado en el diseño de Daimler-Benz
- Equipado con un sistema de suspensión de equilibrio integrado, desarrollado con tecnología Daimler-Benz.
- La suspensión combina ballestas, suspensión de equilibrio, barras de empuje y barras estabilizadoras para garantizar la estabilidad bajo carga.
- Ofrece una alta capacidad de carga y una excelente fiabilidad a largo plazo.
Equipado con caja de cambios de la marca FAST
Todos los modelos de vehículos están equipados con caja de cambios de la marca FAST, que ofrece un rendimiento comprobado en una amplia gama de aplicaciones.
- Presenta un diseño de doble contraeje que permite la distribución de potencia y dimensiones axiales compactas, manteniendo al mismo tiempo un alto par motor.
- Las posiciones reforzadas de los engranajes garantizan un funcionamiento fiable en condiciones de trabajo complejas y exigentes.
- Ofrece una amplia gama de relaciones de transmisión para una adaptación óptima del sistema de propulsión según las necesidades de la aplicación.
- Alcanza una vida útil B10 de hasta 1.2 millones de kilómetros, lo que lo sitúa entre los sistemas de transmisión más fiables de la industria mundial de camiones pesados.
- Opciones de cabina: Cabinas serie NG80 (dos variantes) y cabinas serie V3 (tres variantes).
- Especificaciones de los neumáticos: Disponibles en 315/80R22.5, 14.00R20, 12R22.5 y 12.00R24.
Transporte de contenedores portuarios






